Nissan Altima (L32) 2007-2012 Service Manual ≻ Exterior lighting system ≻ Component diagnosis ≻ Auto light system
Nissan Altima (L32) 2007-2012 Service Manual: Auto light system
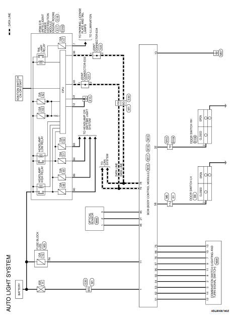
Wiring Diagram - Coupe






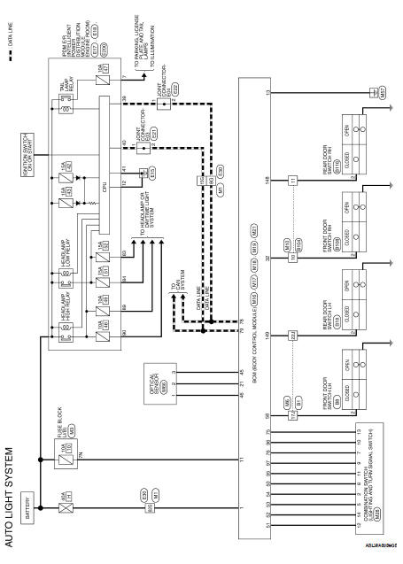
Wiring Diagram - Sedan






Wiring Diagram - Coupe






Wiring Diagram - Sedan






Headlamp (halogen)
Front fog lamp system