Nissan Altima (L32) 2007-2012 Service Manual: B2609 steering status
Description
There are 2 switches in the electronic steering column lock (steering lock/unlock switch 1 and 2). BCM compares those two switches conditions to judge the present steering status.
DTC Logic
DTC DETECTION LOGIC
NOTE: • If DTC B2609 is displayed with DTC U1000, first perform the trouble diagnosis for DTC U1000. Refer to SEC-433, "DTC Logic".
• If DTC B2609 is displayed with DTC U1010, first perform the trouble diagnosis for DTC U1010. Refer to SEC-434, "DTC Logic".

DTC CONFIRMATION PROCEDURE
1.PERFORM DTC CONFIRMATION PROCEDURE 1
1. Press the push-button ignition switch under the following conditions and wait for at least 1 second.
- CVT selector lever is in the P position.
- Do not depress brake pedal
- Steering is locked
2. Check “Self diagnostic result” with CONSULT-III.
Is DTC detected? YES >> Refer to SEC-484, "Diagnosis Procedure".
NO >> GO TO 2
2.PERFORM DTC CONFIRMATION PROCEDURE 2
1. Turn ignition switch ON.
2. Turn ignition switch OFF.
3. Press door switch.
4. Check “Self diagnostic result” with CONSULT-III.
Is DTC detected? YES >> Refer to SEC-484, "Diagnosis Procedure".
NO >> Inspection End.
Diagnosis Procedure
1.INSPECTION START
Check the case in which DTC is detected.
• Case1: It is detected after ignition switch is changed from ON to OFF and door switch is pressed
• Case2: It is detected after ignition switch is changed from ON to OFF
In which case is DTC detected? Case1 >> GO TO 2
Case2 >> GO TO 7
2.CHECK BCM OUTPUT SIGNAL
1. Turn ignition switch OFF.
2. Disconnect electronic steering column lock harness connector and IPDM E/R harness connector.
3. Check voltage between electronic steering column lock harness connector and ground.


Is the inspection result normal? YES >> GO TO 4
NO >> GO TO 3
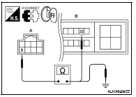
3.CHECK ELECTRONIC STEERING COLUMN LOCK CIRCUIT-I
1. Disconnect BCM harness connector.
2. Check continuity between BCM harness connector M19 (A) terminal 85 and electronic steering column lock harness connector M32 (B) terminal 3.


3. Check continuity between BCM harness connector M19 (A) terminal 85 and ground.

Is the inspection result normal? YES >> GO TO 6
NO >> Repair harness or connector.
4.CHECK IPDM E/R OUTPUT SIGNAL
1. Connect IPDM E/R harness connector.
2. Disconnect BCM harness connector.
3. Check voltage between electronic steering column lock harness connector and ground.


Is the inspection result normal? YES >> Replace electronic steering column lock.
NO >> GO TO 5
5.CHECK ELECTRONIC STEERING COLUMN LOCK CIRCUIT-II
1. Check continuity between electronic steering column lock harness connector M32 (A) terminal 3 and IPDM E/R harness connector E18 (B) terminal 32.


2. Check continuity between electronic steering column lock harness connector M32 (A) terminal 3 and ground.

Is the inspection result normal? YES >> GO TO 6
NO >> Repair harness or connector.
6.CHECK INTERMITTENT INCIDENT
Refer to GI-42, "Intermittent Incident".
>> Inspection End.
7.CHECK BCM OUTPUT SIGNAL
1. Turn ignition switch OFF.
2. Disconnect electronic steering column lock harness connector and IPDM E/R harness connector E5.
3. Check voltage between electronic steering column lock harness connector and ground.


Is the inspection result normal? YES >> GO TO 9
NO >> GO TO 8
8.CHECK ELECTRONIC STEERING COLUMN LOCK CIRCUIT-I
1. Disconnect BCM harness connector M19.
2. Check continuity between BCM harness connector M19 (A) terminal 86 and electronic steering column lock harness connector M32 (B) terminal 8.


3. Check continuity between BCM harness connector M19 (A) terminal 86 and ground.

Is the inspection result normal?
YES >> GO TO 11
NO >> Repair harness or connector.
9.CHECK IPDM E/R OUTPUT SIGNAL
1. Connect IPDM E/R harness connector.
2. Disconnect BCM harness connector M19.
3. Check voltage between electronic steering column lock harness connector and ground.


Is the inspection result normal? YES >> Replace electronic steering column lock.
NO >> GO TO 10
10.CHECK ELECTRONIC STEERING COLUMN LOCK CIRCUIT-II
1. Check continuity between electronic steering column lock harness connector M32 (A) terminal 8 and IPDM E/R harness connector E18 (B) terminal 33.


2. Check continuity between electronic steering column lock harness connector and ground.

Is the inspection result normal? YES >> GO TO 11
NO >> Repair harness or connector.
11.CHECK INTERMITTENT INCIDENT
Refer to GI-42, "Intermittent Incident".
>> Inspection End.

B2608 starter relay
B260B steering lock unit