Nissan Altima (L32) 2007-2012 Service Manual: BCM (Body control module)
Reference Value
VALUES ON THE DIAGNOSIS TOOL





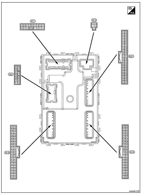
Terminal Layout

Physical Values


















1: Sedan only
2: With LH front window anti-pinch
3: With LH and RH front window anti-pinch
4: With Intelligent Key
5: Without Intelligent Key
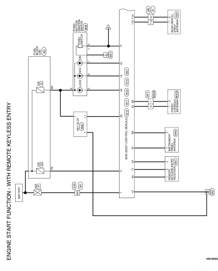
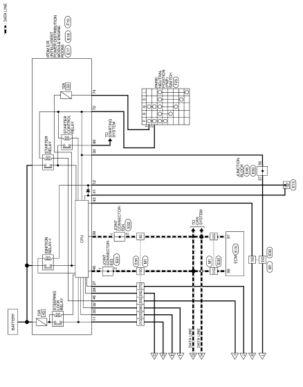
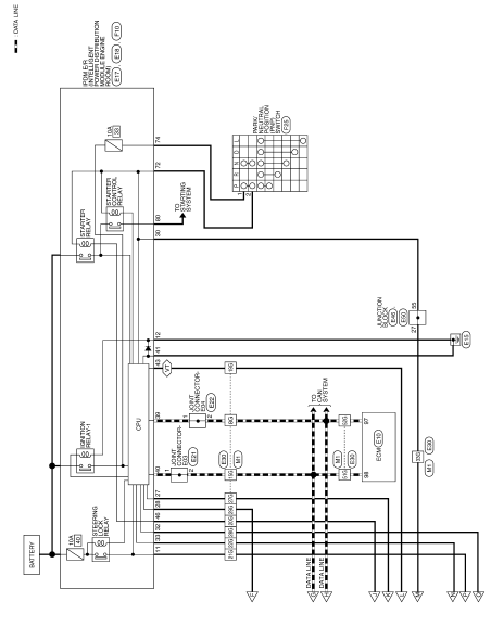
Wiring Diagram - ENGINE START FUNCTION - WITH REMOTE KEYLESS ENTRY













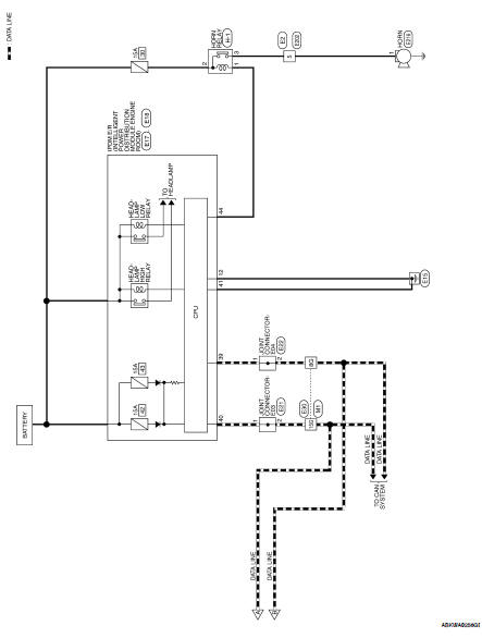
Wiring Diagram - VEHICLE SECURITY SYSTEM - WITH REMOTE KEYLESS ENTRY











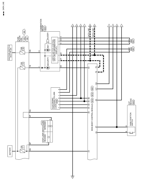
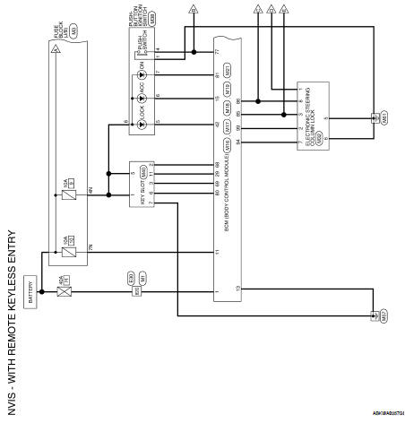
Wiring Diagram - NVIS - WITH REMOTE KEYLESS ENTRY









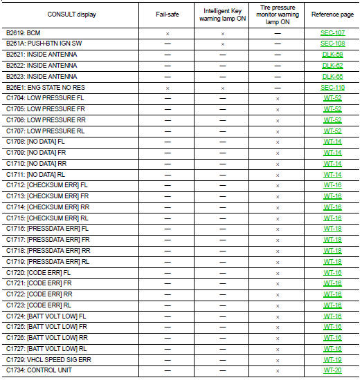
Fail Safe



DTC Inspection Priority Chart
If some DTCs are displayed at the same time, perform inspections one by one based on the following priority chart.


DTC Index
NOTE:
Details of time display
• CRNT: Displays when there is a malfunction now or after returning to the normal condition until turning ignition switch OFF → ON again.
• 1 - 39: Displayed if any previous malfunction is present when current condition is normal. It increases like 1 → 2 → 3...38 → 39 after returning to the normal condition whenever ignition switch OFF → ON. The counter remains at 39 even if the number of cycles exceeds it. It is counted from 1 again when turning ignition switch OFF → ON after returning to the normal condition if the malfunction is detected again.



Ecu diagnosis
IPDM E/R (Intelligent power distribution
module engine room)