Nissan Altima (L32) 2007-2012 Service Manual ≻ Wiper & washer ≻ Component diagnosis ≻ Front wiper and washer system
Nissan Altima (L32) 2007-2012 Service Manual: Front wiper and washer system
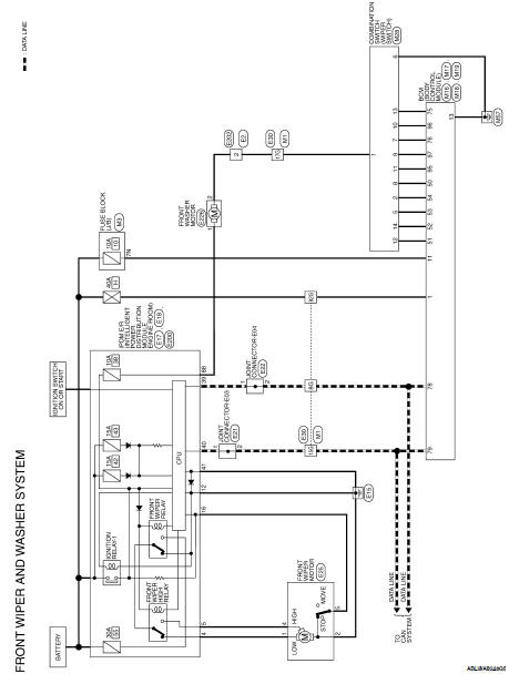
Wiring Diagram-Coupe





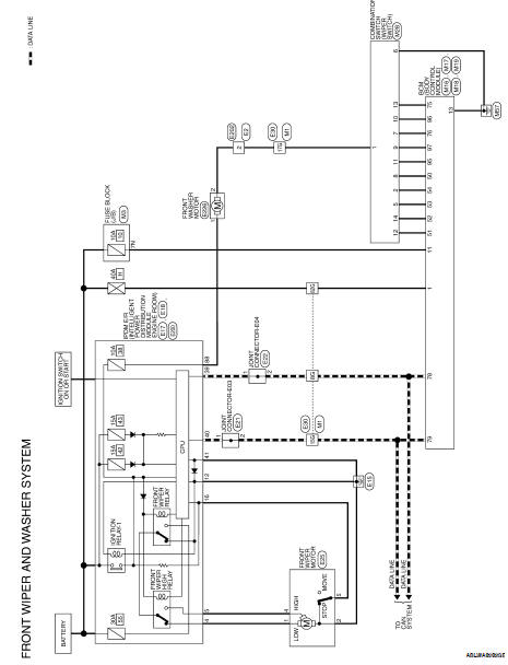
Wiring Diagram-Sedan





Wiring Diagram-Coupe





Wiring Diagram-Sedan





Front wiper motor ground circuit
ECU diagnosis