Nissan Altima (L32) 2007-2012 Service Manual ≻ Starting system VQ35DE ≻ Function diagnosis
Nissan Altima (L32) 2007-2012 Service Manual: Function diagnosis
STARTING SYSTEM
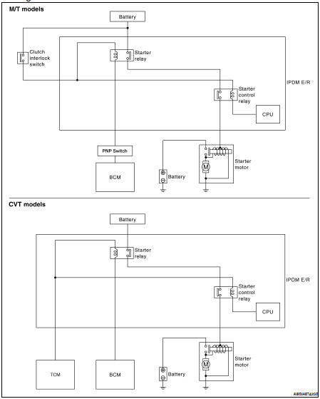
System Diagram

System Description
The starter motor plunger closes and provides a closed circuit between the battery and the starter motor. The starter motor is grounded to the cylinder block. With power and ground supplied, the starter motor operates.
Component Description


Basic inspection
Component diagnosis