Nissan Altima (L32) 2007-2012 Service Manual ≻ Exterior lighting system ≻ Component diagnosis ≻ Headlamp (xenon)
Nissan Altima (L32) 2007-2012 Service Manual: Headlamp (xenon)
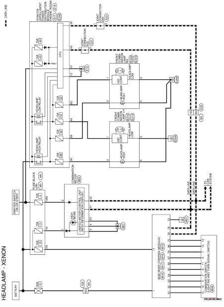
Wiring Diagram - Coupe





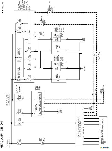
Wiring Diagram - Sedan





Wiring Diagram - Coupe





Wiring Diagram - Sedan





Headlamp (halogen)