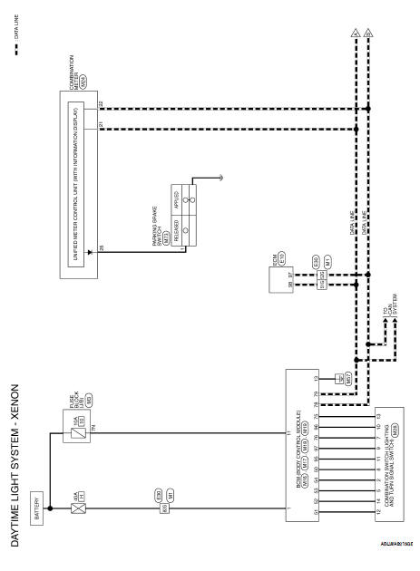
Nissan Altima (L32) 2007-2012 Service Manual ≻ Exterior lighting system ≻ Component diagnosis ≻ Daytime running light system ≻ Headlamp (xenon type)
Nissan Altima (L32) 2007-2012 Service Manual: Headlamp (xenon type)
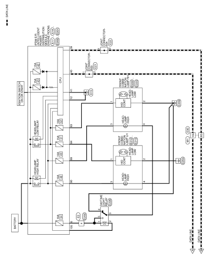
Wiring Diagram - Coupe







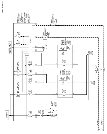
Wiring Diagram - Sedan








Daytime running light system
Headlamp (halogen)