Nissan Altima (L32) 2007-2012 Service Manual: Parking lamp circuit
Description
The IPDM E/R (intelligent power distribution module engine room) controls the tail lamp relay based on inputs from the BCM over the CAN communication lines. When the tail lamp relay is energized, power flows through fuses 46 and 47, located in the IPDM E/R. Power then flows to the front and rear combination lamps.
Component Function Check
1.CHECK PARKING LAMP OPERATION

1. Activate IPDM E/R auto active test. Refer to PCS-14, "Diagnosis Description".
2. Check that the parking lamp is turned ON.

1. Select "EXTERNAL LAMP" of IPDM E/R active test item.
2. With operating the test items, check that the parking lamp is turned ON.

Is the parking lamp turned ON? YES >> Parking lamp circuit is normal.
NO >> Refer to EXL-48, "Diagnosis Procedure".
Diagnosis Procedure
1.CHECK PARKING LAMP FUSES
1. Turn the ignition switch OFF.
2. Check that the following fuses are not open.

Is the fuse open? YES >> Repair the harness and replace the fuse.
NO >> GO TO 2
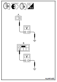
2.CHECK TAIL LAMP RELAY OUTPUT (VOLTAGE)

1. Turn the ignition switch OFF.
2. Disconnect the front and rear combination lamp connectors.
3. Turn the ignition switch ON.
4. Select "EXTERNAL LAMP" of IPDM E/R active test item.
5. With EXTERNAL LAMP ON, check the voltage between the combination lamp connector and ground.


Is battery voltage present? YES >> GO TO 4
NO >> GO TO 3
3.CHECK PARKING LAMP CIRCUIT (OPEN)
1. Turn the ignition switch OFF.
2. Disconnect IPDM E/R connector.
3. Check continuity between the IPDM E/R harness connector and the combination lamp harness connector.


Does continuity exist? YES >> GO TO 4
NO >> Repair the harnesses or connectors.
4.CHECK PARKING LAMP GROUND CIRCUIT
1. Disconnect the combination lamp connector.
2. Check continuity between the combination lamp harness connector terminal and ground.


Does continuity exist? YES >> Inspect the parking lamp bulb.
NO >> Repair the harness.

Front fog lamp circuit
Turn signal lamp circuit