Nissan Altima (L32) 2007-2012 Service Manual ≻ Exterior lighting system ≻ Component diagnosis ≻ Parking, license plate and tail lamps system
Nissan Altima (L32) 2007-2012 Service Manual: Parking, license plate and tail lamps system
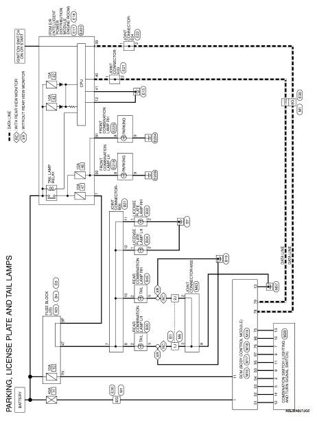
Wiring Diagram - Coupe







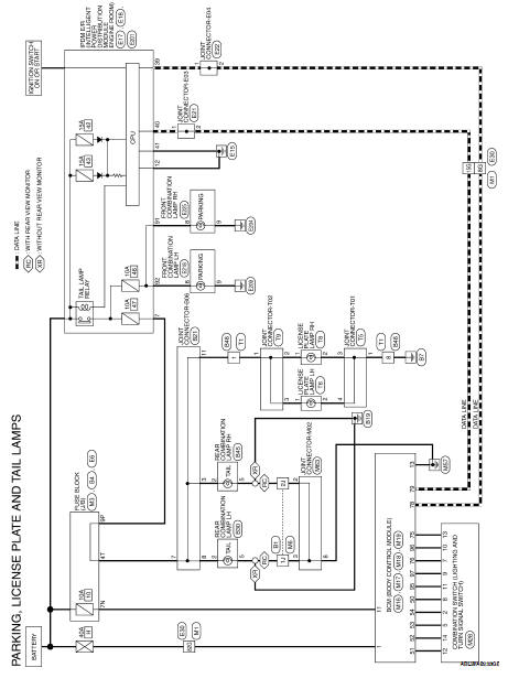
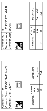
Wiring Diagram - Sedan







Turn signal and hazard warning
lamp system
Stop lamp