Nissan Altima (L32) 2007-2012 Service Manual: Sunroof system
Reference Value
TERMINAL LAYOUT

PHYSICAL VALUES

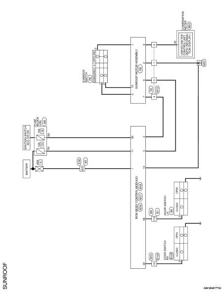
Wiring Diagram — Coupe





Wiring Diagram — Sedan





Reference Value
TERMINAL LAYOUT

PHYSICAL VALUES

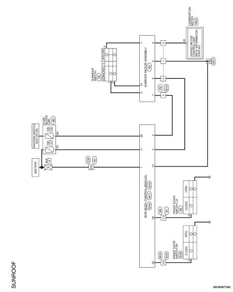
Wiring Diagram — Coupe





Wiring Diagram — Sedan





BCM (Body control module)