Nissan Altima (L32) 2007-2012 Service Manual ≻ Exterior lighting system ≻ Component diagnosis ≻ Back-up lamp
Nissan Altima (L32) 2007-2012 Service Manual: Back-up lamp
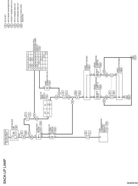
Wiring Diagram - Coupe





Wiring Diagram - Sedan





Wiring Diagram - Coupe





Wiring Diagram - Sedan





Stop lamp
ECU diagnosis