Nissan Altima (L32) 2007-2012 Service Manual: Bose speaker AMP
Diagnosis Procedure
1.CHECK FUSE
Check that the following fuses of the BOSE speaker amp. are not blown.
Are the fuses OK?
YES >> GO TO 2
NO >> Be sure to eliminate cause of malfunction before installing new fuse.
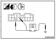
2.CHECK POWER SUPPLY CIRCUIT
1. Turn ignition switch OFF.
2. Disconnect BOSE speaker amp connector.
3. Check voltage between BOSE speaker amp harness connector
and ground.
Are the voltage readings as specified?
YES >> GO TO 3
NO >> Check harness between BOSE speaker amp. and fuse.
3.CHECK GROUND CIRCUIT
1. Turn ignition switch OFF.
2. Disconnect BOSE speaker amp connector.
3. Check continuity between BOSE speaker amp harness connector
and ground.
Are continuity test results as specified?
YES >> Inspection End.
NO >> Repair harness or connector.
Diagnosis Procedure
1.CHECK POWER SUPPLY CIRCUIT (REAR VIEW CAMERA SIDE)
Check voltage between rear view camera harness connector and
ground.
Is inspection result normal?
YES >> GO TO 4 ...
Diagnosis Procedure
1.CHECK FUSE
Check that the following fuses of the CD changer are not blown.
Are the fuses OK?
YES >> GO TO 2
NO >> Be sure to eliminate cause of malfunction bef ...
Other materials: Manual operation
Fan speed control buttons
Press the fan speed control
buttons
to manually control the fan speed.
Press the AUTO button to return to automatic
control of the fan speed.
Temperature control dial
The temperature control dial allows you to
adjust the temperature of the outlet air. To
lower the tempera ...
System malfunction
If the I-FCW system malfunctions, it will be
turned off automatically, a chime will
sound, the AEB with Pedestrian Detection
system warning light (yellow) will illuminate
and the warning message [Malfunction]
will appear in the vehicle information
display.
Action to take
If the warning light (yello ...
Fuel efficient driving tips
Follow these easy-to-use Fuel Efficient
Driving Tips to help you achieve the most
fuel economy from your vehicle.
1. Use Smooth Accelerator and Brake
Pedal Application
Avoid rapid starts and stops.
Use smooth, gentle accelerator and
brake application whenever possible.
Maintain constant speed w ...