Nissan Altima (L32) 2007-2012 Service Manual ≻ Exterior lighting system ≻ Component diagnosis ≻ Daytime running light system ≻ Headlamp (halogen)
Nissan Altima (L32) 2007-2012 Service Manual: Headlamp (halogen)
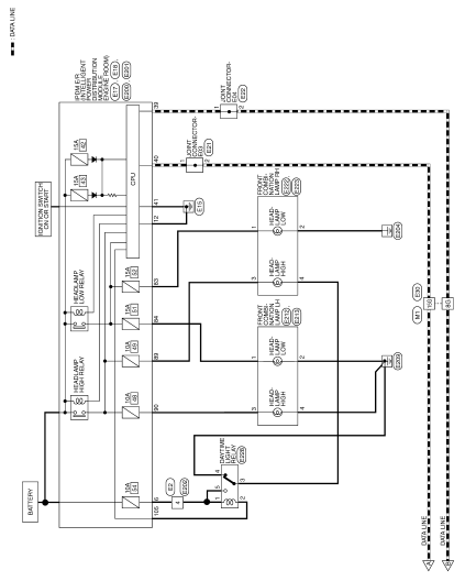
Wiring Diagram - Coupe







Wiring Diagram - Sedan








Headlamp (xenon type)
Auto light system