Nissan Altima (L32) 2007-2012 Service Manual ≻ Starting system QR25DE ≻ Component diagnosis ≻ Starting system
Nissan Altima (L32) 2007-2012 Service Manual: Starting system
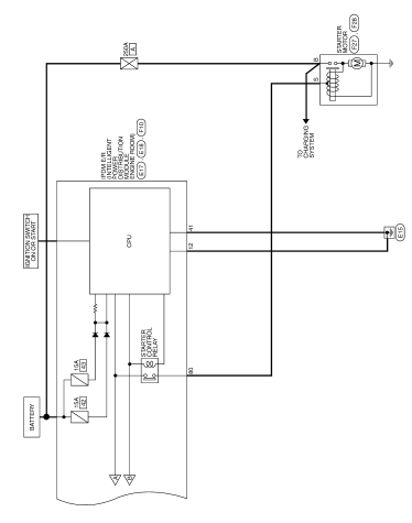
Wiring Diagram - Coupe






Wiring Diagram - Sedan






Wiring Diagram - Coupe






Wiring Diagram - Sedan






S connector circuit
Symptom diagnosis