Nissan Altima manuals

Nissan Altima (L32) 2007-2012 Service Manual: BCM (Body control module)

Reference Value

VALUES ON THE DIAGNOSIS TOOL

Terminal Layout

Physical Values

1: Sedan only

2: With LH front window anti-pinch

3: With LH and RH front window anti-pinch

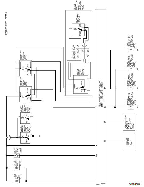
Wiring Diagram-Coupe

Wiring Diagram-Sedan

Fail Safe

DTC Inspection Priority Chart

If some DTCs are displayed at the same time, perform inspections one by one based on the following priority chart.

DTC Index

NOTE:

Details of time display

• CRNT: Displays when there is a malfunction now or after returning to the normal condition until turning ignition switch OFF → ON again.

• 1 - 39: Displayed if any previous malfunction is present when current condition is normal. It increases like 1 → 2 → 3...38 → 39 after returning to the normal condition whenever ignition switch OFF → ON. The counter remains at 39 even if the number of cycles exceeds it. It is counted from 1 again when turning ignition switch OFF → ON after returning to the normal condition if the malfunction is detected again.

Sunroof system

Reference Value TERMINAL LAYOUT PHYSICAL VALUES Wiring Diagram — Coupe Wiring Diagram — Sedan ...