Nissan Altima manuals

Nissan Altima (L32) 2007-2012 Service Manual: Combination meter

Reference Value

TERMINAL LAYOUT

PHYSICAL VALUES

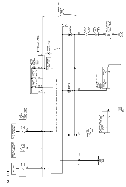
Wiring Diagram - Coupe

Wiring Diagram - Sedan

Fail Safe

The combination meter performs a fail-safe operation for the functions listed below when communication is lost.

DTC Index

NOTE: “TIME” indicates the following.

• 0: Indicates that a malfunction is detected at present.

• 1-63: Indicates that a malfunction was detected in the past. (Displays number of ignition switch OFF → ON cycles after malfunction is detected. Self-diagnosis result is erased when “63” is exceeded.)

BCM (Body control module)

Reference Value VALUES ON THE DIAGNOSIS TOOL Terminal Layout Physical Values 1: Sedan only 2: With LH front window anti-pinch 3: With LH and RH f ...